每一次维修,都是对品质的执着与守护
专业团队,精湛技术 信赖之选
汇聚顶尖维修技术 用心修好每一台仪器 让科研之路更加顺畅
汇聚顶尖维修技术 用心修好每一台仪器 让科研之路更加顺畅
2018/06
13
仪器维修中三极管的主要用途|橙子视频下载分享
三极管,全称应为半导体三极管,也称双极型晶体管、晶体三极管,是一种控制电流的半导体器件其作用是把微弱信号放大成幅度值较大的电信号, 也用作无触点开关。晶体三极管,是半导体基本元器件之一,具有电流放大作用,是电子电路的核心元件。三极管是在一块半导体基片上制作两个相距很近的PN结,两个PN结把整块半导体分成三部分,中间部分是基区,两侧部分是发射区和集电区(如图1),排列方式有PNP和NPN两种。
图1.NPN型三极管结构及符号
放大原理1、发射区向基区发射电子
电源Ub经过电阻Rb加在发射结上,发射结正偏,发射区的多数载流子(自由电子)不断地越过发射结进入基区,形成发射极电流Ie。同时基区多数载流子也向发射区扩散,但由于多数载流子浓度远低于发射区载流子浓度,可以不考虑这个电流,因此可以认为发射结主要是电子流。
2、基区中电子的扩散与复合
电子进入基区后,先在靠近发射结的附近密集,渐渐形成电子浓度差,在浓度差的作用下,促使电子流在基区中向集电结扩散,被集电结电场拉入集电区形成集电极电流Ic。也有很小一部分电子(因为基区很薄)与基区的空穴复合,扩散的电子流与复合电子流之比例决定了三极管的放大能力。
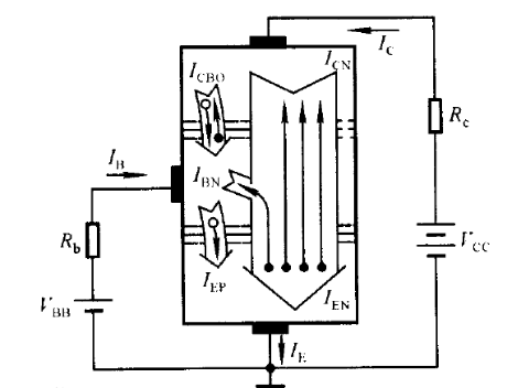
由于集电结外加反向电压很大,这个反向电压产生的电场力将阻止集电区电子向基区扩散,同时将扩散到集电结附近的电子拉入集电区从而形成集电极主电流Icn。另外集电区的少数载流子(空穴)也会产生漂移运动,流向基区形成反向饱和电流,用Icbo来表示,其数值很小,但对温度却异常敏感。
图2.三极管放的原理结构图
工作状态截止状态
当加在三极管发射结的电压小于PN结的导通电压,基极电流为零,集电极电流和发射极电流都为零,三极管这时失去了电流放大作用,集电极和发射极之间相当于开关的断开状态,橙子视频下载称三极管处于截止状态。
当加在三极管发射结的电压大于PN结的导通电压,并处于某一恰当的值时,三极管的发射结正向偏置,集电结反向偏置,这时基极电流对集电极电流起着控制作用,使三极管具有电流放大作用,其电流放大倍数β=ΔIc/ΔIb,这时三极管处放大状态。
当加在三极管发射结的电压大于PN结的导通电压,并当基极电流增大到一定程度时,集电极电流不再随着基极电流的增大而增大,而是处于某一定值附近不怎么变化,这时三极管失去电流放大作用,集电极与发射极之间的电压很小,集电极和发射极之间相当于开关的导通状态。三极管的这种状态橙子视频下载称之为饱和导通状态。
根据三极管工作时各个电极的电位高低,就能判别三极管的工作状态,因此,电子维修人员在维修过程中,经常要拿多用电表测量三极管各脚的电压,从而判别三极管的工作情况和工作状态。
西安橙子视频下载仪器维修中心于2008年成立,国内仪器维修受困于国外大厂垄断,技术方面难以攻克。一次次尝试、一分分探索,在工程师团队夜以继日、孜孜不倦地钻研下,打破了大厂原有的垄断,完成测试仪器芯片级维修。帮助客户降低了维修成本。
联系橙子视频下载维修
西安橙子视频下载维修中心
公司地址:西安市高新区纬二十六路369号中交科技城西区A3橙子视频下载测试楼
公司网址:www.hustinova.com


